GT8101是聚辰2021年研發的一款100V VBOOT 電壓的MOSFET驅動器,提供1A的驅動電流能力,性能優良,保護周全,外圍電路簡潔。
GT8101基本參數
? 100V VBOOT 電壓
? 工作電壓5.5V至20V
? 1A驅動電流能力,驅動1nF負載時,上升及下降時間20nS
? 提供Shoot-Through保護可有效防止上下管同時導通導致芯片或MOSFET損壞
? 獨立的 High- and Low-Side Under-Voltage 保護
? 工業級–40 °C to +125 °C 工作溫度范圍
? SOP-8L封裝
GT8101三大優勢集于一身
1、強悍的抗負壓能力,顯著提高系統可靠性
GT8101系列產品對于可能因負壓沖擊造成芯片損傷的管腳做了強化設計,可承受-7V直流電壓,無需額外的保護元件,提高系統可靠性的同時,對PCB布局布線更友好。市場上同類產品中抗負壓強度大多為-0.3V/-1V。
2、內置自舉二極管,外圍線路簡潔,節省PCB面積和BOM成本
GT8101外圍僅需兩個電容和一個電阻。比起市面上同類的產品多達15個的外圍器件, GT8101極大地節省了PCB面積和BOM成本。
3、自適應的死區時間控制,保護芯片的同時最大程度提升系統效率。
半橋驅動產品需要保證兩個MOSFET中只有一個在任何給定的時間是開啟的,如果同一側的兩個MOSFET同時開啟,會導致電源短路到地,產生直通電流(shoot-through),過量的shoot-through會導致MOSFET功率耗散更大,甚至損壞MOSFET。
減小shoot-through的方式通常可以分成被動的或者主動的。被動的shoot-through保護可以通過實現高側和低柵極驅動器之間的延遲,雖然簡單,但所需延遲時間較長;主動的shoot-through保護可通過監測柵極驅動輸出和開關節點上的電壓,以確定何時開關MOSFET。但柵極驅動和返回路徑中的高電流和快速開關電壓可能引起寄生振鈴,使MOSFET重新打開,而且驅動器無法監測MOSFET內部的柵極電壓。
聚辰的GT8101產品采用主動和被動結合的自適應的死區時間控制,監測柵極驅動輸出和開關節點上的電壓,以確保兩個MOSFET不同時開啟,最大限度地減少射穿電流,防止因為shoot-through造成的芯片的損壞的同時,并最可能的減小死區時間,最小35nS,從而提高了系統效率。
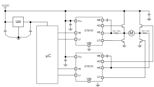
目前聚辰GT8101 MOFSET半橋驅動產品已實現量產,主要應用于電子助力轉向(EPS)、車載空調系統等領域。除了芯片產品本身,聚辰還將根據客戶需求提供硬件及軟件(算法)設計等定制化解決方案。
聚辰半導體一直致力于順應市場趨勢為客戶提供出色的產品和服務。未來,聚辰將持續提升自主研發創新水平,鞏固在非易失性存儲芯片領域的市場領先地位,豐富在驅動芯片等領域的產品布局,與行業伙伴深化合作,共同為產業升級和社會智能化發展賦能。

-
聚辰股份成功入選上證科創板專精特新指數及上證專精特新指數樣本名單
2025年07月21日
-
聚辰股份董事長陳作濤在2025屆武漢大學畢業典禮深情寄語
2025年06月20日
-
聚辰半導體董事長陳作濤出席第八屆世界閩商大會并發言
2025年06月19日























公安備案號 31011502015837